
H7N 型机械密封
产品简介:
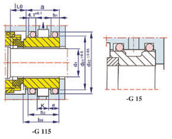
单端面 /平衡性 / 任意旋向 / 符合DIN24960标准,H7N 系列应用广泛,互换性好。静环采用浮动式,安装方便,推环由传动搭子卡住,防止弹簧脱落。其它特殊的技术处理包括静环可限位及限制碳环行程,避免碳环过度磨损。
运行参数:
d1=14…200mm 0.55”…8”,p1=25(40)bar 230(580)PSI,t=-50…220℃ -58F…430F,Vg=20m/s 66ft/s
材料组合:

静止环:

扭矩传递:
|
|
| 当d2>100mm时用四只螺钉拧入凹坑。 | H7系列的各类密封均可采用以键传递扭矩的方式。如H7S2/d1。 |
|
|
|
|
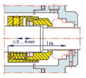
H75多弹簧结构 d1 =28…200mm As H7N, but with multiple springs in sleeves (Item no. 1.5) axial movements ±2 to 4 mm, dependent on diameter. |
H76单弹簧结构 d1 =14…100mm Dimensions, item no ‘ s and descriptions as for H7N, but with special single spring (item no. 1.5) for compensating large axial movements (±4mm) |
H7F带螺纹泵 d1 max. 100mm; Axial movement ±0.5mm H75F d1 =28…200mm 轴向窜动量 d128…55mm=±2mm d158…100mm=±3mm d11088…200mm=±4mm
|